Description
FG Ford Falcon fits EGR Ute Lid Male for Fitment onto Lid Hinges for Lids with Shiny Black Plastic Underneath Lids
Free Postage Australia Wide - Express Post Option $5.00
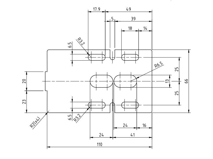
EGR Style Medium Ute Lid Hinge - For Ford Falcon FG Utes Please look at the photos and Drawing to make sure they fit your model Ute
Fits the Genuine FORD FALCON EGR Plastic Ute Lids
Hinges Are 3mm Stainless Steel Laser cut, CNC Bent & Welded
Price is for 1 Pair of EGR Style Medium Male Lid Hinge & 8 x Stainless Steel Bolts
We have most other parts available for the EGR Plastic Ute Lids so if its not listed then send a question about the item
Do you need advice on what parts you need for your Ute lid or canopy, have Questions or Not Sure if it’s the right part then Email sales@amcat.com.au















































