Description
VU VY VZ Commodore fits EGR Long Lock Brackets Catches for Twin Ute Lid Locks for EGR Plastic Ute lids with Shiny Black Plastic Underneath
Free Postage Australia Wide - Express Post Option $5.00
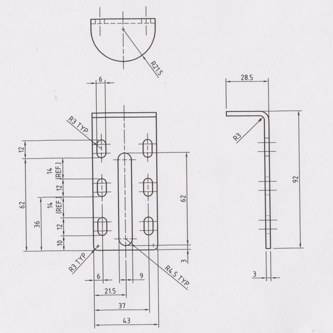
I have 4 Different Lengths of these Lock Bracket Catches - Small - Medium - Standard & Long - So Please look at the photos and Drawing to make sure they fit your model Ute
Small 24mm Long - Normally Fits Dual Cabs
Medium 36.5mm Long - VS Commodore & Other Early Model Utes
Standard 72mm Long - For VU VY VZ Commodore - AU BA BF Ford - Crewman
Long 92mm Long - For VE VF Commodore & AU BA BF FG Ford EGR Plastic Lids
YOU ARE BUYING 1 Pair Long Ute Lid Lock Brackets & 12 x Self Drilling Screws
Do you need advice on what parts you need for your Ute lid or canopy, have Questions or Not Sure if it’s the right part then Email sales@amcat.com.au















































